डिसॉर्प्शन इलेक्ट्रोलाइटिक सिस्टम म्हणजे काय आणि आधुनिक सोने काढण्यासाठी ते का आवश्यक आहे

डिसॉर्प्शन इलेक्ट्रोलाइटिक सिस्टमआधुनिक सोने उत्खननात, विशेषतः कार्बन-इन-पल्प (सीआयपी) आणि कार्बन-इन-लीच (सीआयएल) प्रक्रियेत एक महत्त्वपूर्ण तंत्रज्ञान आहे. हा ब्लॉग प्रणाली कशी कार्य करते, त्याचे घटक, फायदे आणि कार्यक्षम सोन्याच्या पुनर्प्राप्तीमध्ये ते एक मानक का बनले आहे याचा शोध घेतो. कंपन्यांना कसे आवडते हे देखील आम्ही हायलाइट करतोEPICया क्षेत्रात नावीन्य आणत आहेत. शेवटी, ही प्रणाली उत्पादकता कशी वाढवते, खर्च कमी करते आणि पुनर्प्राप्ती दर कसे सुधारते याबद्दल तुम्हाला सर्वसमावेशक समज असेल.

Desorption Electrolytic System

सामग्री सारणी


डिसॉर्प्शन इलेक्ट्रोलाइटिक सिस्टम म्हणजे काय

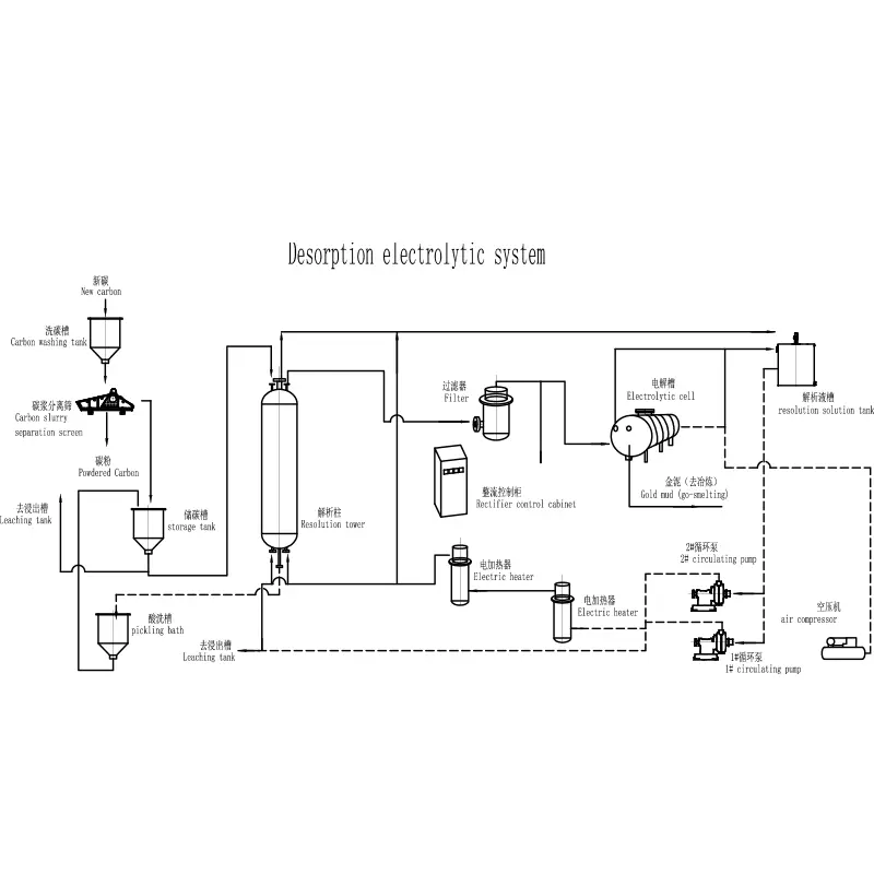
A डिसॉर्प्शन इलेक्ट्रोलाइटिक सिस्टमसक्रिय कार्बनमधून सोने काढण्यासाठी वापरली जाणारी प्रगत सोने पुनर्प्राप्ती प्रणाली आहे. हे खाणकामात मोठ्या प्रमाणावर वापरले जाते जेथे लीचिंग प्रक्रियेदरम्यान सोने कार्बन कणांवर शोषले जाते.

  • डिसॉर्प्शन: उच्च-तापमान आणि उच्च-दाब द्रावण वापरून कार्बनमधून सोने काढून टाकते
  • इलेक्ट्रोलिसिस: कॅथोड्सवरील द्रावणातून सोने पुनर्प्राप्त करते
  • बंद-लूप प्रणाली: कार्यक्षमता आणि किमान नुकसान सुनिश्चित करते

ही प्रणाली पुनर्प्राप्तीची कार्यक्षमता सुधारण्यासाठी आणि ऑपरेशनल खर्च कमी करण्यासाठी आवश्यक आहे, ज्यामुळे ती आधुनिक सोने प्रक्रिया संयंत्रांमध्ये मुख्य घटक बनते.


डिसॉर्प्शन इलेक्ट्रोलाइटिक सिस्टम कसे कार्य करते

च्या कामकाजाचे तत्वडिसॉर्प्शन इलेक्ट्रोलाइटिक सिस्टमदोन मुख्य टप्पे समाविष्ट आहेत:

  1. डिसोर्प्शन स्टेज:सोन्याने लोड केलेल्या कार्बनवर गरम अल्कधर्मी सायनाइड द्रावणाने प्रक्रिया केली जाते, सोन्याचे आयन सोडतात.
  2. इलेक्ट्रोलिसिस स्टेज:सोन्याचे समृद्ध द्रावण इलेक्ट्रोलाइटिक सेलमधून जाते जेथे सोने स्टीलच्या लोकर कॅथोड्सवर जमा होते.

प्रक्रिया उच्च कार्यक्षमतेची खात्री देते आणि सतत ऑपरेशनसाठी परवानगी देते, म्हणूनच कंपन्यांच्या सिस्टमला आवडतेEPICऔद्योगिक अनुप्रयोगांमध्ये मोठ्या प्रमाणावर स्वीकारले जातात.


सिस्टमचे मुख्य घटक

घटक कार्य
डिसॉर्प्शन कॉलम सक्रिय कार्बन धरून ठेवते आणि सोने काढणे सुलभ करते
इलेक्ट्रोलाइटिक सेल इलेक्ट्रोलिसिसद्वारे सोने पुनर्प्राप्त करते
हीट एक्सचेंजर आवश्यक तापमान राखते
फिल्टर सिस्टम द्रावणातील अशुद्धता काढून टाकते
नियंत्रण प्रणाली ऑपरेशन स्वयंचलित करते आणि पॅरामीटर्सचे परीक्षण करते

प्रणाली कार्यक्षमतेने आणि सातत्यपूर्णपणे चालते याची खात्री करण्यासाठी प्रत्येक घटक महत्त्वपूर्ण भूमिका बजावतो.


तांत्रिक फायदे आणि वैशिष्ट्ये

  • उच्च सोने पुनर्प्राप्ती दर (98% पर्यंत)
  • कमी ऊर्जा वापर
  • कमी कामगार खर्चासाठी स्वयंचलित ऑपरेशन
  • जागेच्या कार्यक्षमतेसाठी कॉम्पॅक्ट डिझाइन
  • कमीतकमी उत्सर्जनासह पर्यावरणास अनुकूल

उत्पादकांना आवडतेEPICविकसित होत असलेल्या उद्योगाच्या मागण्या पूर्ण करण्यासाठी, उत्तम कामगिरी आणि विश्वासार्हता सुनिश्चित करण्यासाठी या प्रणाली सतत अनुकूल करा.


गोल्ड प्रोसेसिंग मध्ये अर्ज

डिसॉर्प्शन इलेक्ट्रोलाइटिक सिस्टममोठ्या प्रमाणावर वापरले जाते:

  • सोन्याच्या खाण वनस्पती
  • CIP (कार्बन-इन-पल्प) ऑपरेशन्स
  • CIL (कार्बन-इन-लीच) प्रक्रिया करते
  • गोल्ड tailings पुनर्प्राप्ती

त्याची अष्टपैलुत्व मोठ्या प्रमाणावर औद्योगिक खाणकाम आणि कार्यक्षमतेत सुधारणा शोधणाऱ्या लहान ऑपरेशन्ससाठी योग्य बनवते.


पारंपारिक पद्धतींशी तुलना

वैशिष्ट्य डिसॉर्प्शन इलेक्ट्रोलाइटिक सिस्टम पारंपारिक पद्धती
कार्यक्षमता उच्च मध्यम
ऑटोमेशन पूर्णपणे स्वयंचलित मॅन्युअल किंवा अर्ध स्वयंचलित
खर्च कमी दीर्घकालीन खर्च उच्च परिचालन खर्च
पर्यावरणीय प्रभाव कमी उच्च

स्पष्टपणे, आधुनिक प्रणाली पारंपारिक सोने पुनर्प्राप्ती तंत्रांपेक्षा महत्त्वपूर्ण फायदे प्रदान करते.


खरेदीदारांसाठी निवड मार्गदर्शक

निवडताना एडिसॉर्प्शन इलेक्ट्रोलाइटिक सिस्टम, खालील घटकांचा विचार करा:

  • प्रक्रिया क्षमता
  • ऑटोमेशन पातळी
  • ऊर्जा कार्यक्षमता
  • उत्पादक प्रतिष्ठा (उदा. EPIC)
  • विक्री नंतर समर्थन

योग्य प्रणाली निवडल्याने दीर्घकालीन ऑपरेशनल यश आणि गुंतवणुकीवर जास्तीत जास्त परतावा मिळण्याची हमी मिळते.


देखभाल आणि ऑपरेशनल टिपा

  • पाइपलाइन आणि वाल्वची नियमितपणे तपासणी करा
  • तापमान आणि दाब पातळीचे निरीक्षण करा
  • इलेक्ट्रोलाइटिक पेशी वेळोवेळी स्वच्छ करा
  • जीर्ण झालेले घटक त्वरित बदला
  • निर्मात्याच्या मार्गदर्शक तत्त्वांचे काटेकोरपणे पालन करा

योग्य देखभाल प्रणालीचे आयुष्य लक्षणीयरीत्या वाढवते आणि सातत्यपूर्ण कार्यप्रदर्शन सुनिश्चित करते.


वारंवार विचारले जाणारे प्रश्न

1. डिसॉर्प्शन इलेक्ट्रोलाइटिक सिस्टमचा मुख्य उद्देश काय आहे?

सक्रिय कार्बनमधून सोने कार्यक्षमतेने काढणे आणि पुनर्प्राप्त करणे हा त्याचा मुख्य उद्देश आहे.

2. प्रणाली किती कार्यक्षम आहे?

ऑपरेटिंग परिस्थितीनुसार, बहुतेक प्रणाली 95% पेक्षा जास्त सोन्याचा पुनर्प्राप्ती दर मिळवतात.

3. प्रणाली पर्यावरणास अनुकूल आहे का?

होय, आधुनिक प्रणाली उत्सर्जन कमी करण्यासाठी आणि रासायनिक कचरा कमी करण्यासाठी डिझाइन केल्या आहेत.

4. ते सानुकूलित केले जाऊ शकते?

होय, EPIC सारख्या कंपन्या प्रक्रिया आवश्यकतांवर आधारित सानुकूल करण्यायोग्य उपाय ऑफर करतात.

5. कोणते उद्योग ही प्रणाली वापरतात?

प्रामुख्याने सोन्याचे खाण उद्योग, परंतु मौल्यवान धातू पुनर्प्राप्ती अनुप्रयोगांमध्ये देखील.


निष्कर्ष

डिसॉर्प्शन इलेक्ट्रोलाइटिक सिस्टमअतुलनीय कार्यक्षमता, विश्वासार्हता आणि पर्यावरणीय कामगिरी ऑफर करून सुवर्ण पुनर्प्राप्ती तंत्रज्ञानातील एक प्रगती दर्शवते. सारख्या उद्योग नेत्यांकडून सतत प्रगतीसहEPIC, ही प्रणाली आधुनिक खाण ऑपरेशन्ससाठी अधिकाधिक आवश्यक होत आहे. तुम्ही तुमची सोने काढण्याची प्रक्रिया ऑप्टिमाइझ करू इच्छित असाल आणि नफा सुधारू इच्छित असाल, तर उच्च-गुणवत्तेच्या प्रणालीमध्ये गुंतवणूक करणे ही एक स्मार्ट निवड आहे.आमच्याशी संपर्क साधाआज आम्ही तुमच्या गरजांसाठी तयार केलेले उपाय कसे देऊ शकतो याबद्दल अधिक जाणून घेण्यासाठी.

चौकशी पाठवा

X
आम्ही तुम्हाला एक चांगला ब्राउझिंग अनुभव देण्यासाठी, साइट रहदारीचे विश्लेषण करण्यासाठी आणि सामग्री वैयक्तिकृत करण्यासाठी कुकीज वापरतो. ही साइट वापरून, तुम्ही आमच्या कुकीजच्या वापरास सहमती देता. गोपनीयता धोरण